Pertamina EP Cepu - 2020




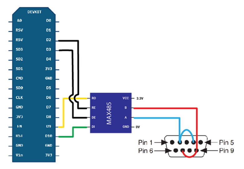
I developed an IoT prototype to monitor a Generator Set Control Unit (GCU) equipped with a Woodward controller using the Modbus protocol. The prototype utilized an ESP8266 microcontroller programmed in C++ to collect real-time data and sync it with Firebase for cloud-based storage and analysis. Additionally, I created a desktop application with a simple VB .NET form to provide users with an intuitive interface for viewing and managing generator data. This project showcased my ability to integrate IoT hardware with cloud services and desktop software for comprehensive monitoring solutions.
Portofolio
